فلتر هيشينج
مقدمة المعدات
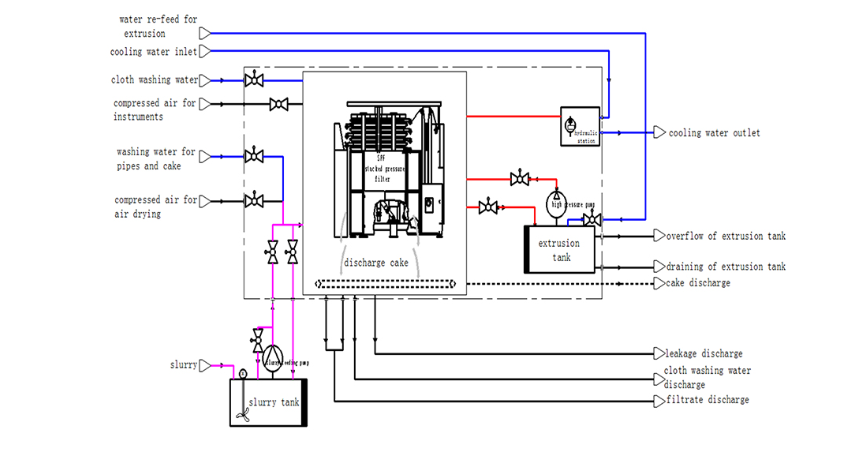
مرشح الضغط المكدس SPF هو نوع من معدات الفصل الصلبة والسائلة الذكية ذات الكفاءة العالية والموفرة للطاقة. إنها تستفيد بالكامل من ضغط مضخة تغذية الملاط ، خصائص الملاط وضغط بثق الحجاب الحاجز المطاطي ، واستخدام قماش المرشح كوسيط مرشح لفصل المادة الصلبة والسائلة عن الملاط.
● استخدم بنية مكدسة للألواح ، استخدم جهاز توجيه مساعد لجعل العملية تصبح أكثر استقرارًا.
● دمج التصفية ، البثق ، الغسيل ، تجفيف الهواء ، تفريغ الكعك وغسل القماش معًا.
● ضغط البثق يصل إلى 1.6MPa ، ويستخدم على نطاق واسع في الحقل الذي له متطلبات مختلفة لرطوبة الكعك.
● 4.استخدام نظام التحكم في القيادة الهيدروليكية ، وجعل العملية مستقرة ومع انخفاض استهلاك الطاقة.
● دمج نظام التحكم PLC و HMI والأدوات وما إلى ذلك ذكي معًا ، يجعل المرشح أكثر كفاءة وسهولة.
● استخدم جهاز تنظيف المياه بالضغط العالي لجعل غسل القماش أكثر فعالية.
● تصميم مع غرفة دائرية ، هيكل أكثر عقلانية ، وكفاءة أكثر بروزا.















